This website requires JavaScript.
Explore
Help
Sign In
The-Homebrew-Cloud
/
fdskey
Watch
2
Star
0
Fork
0
You've already forked fdskey
mirror of
https://github.com/ClusterM/fdskey.git
synced
2025-12-16 19:15:54 +01:00
Code
Issues
Packages
Projects
Releases
Wiki
Activity
Files
pcb1.2firmwarev1.1c
fdskey
/
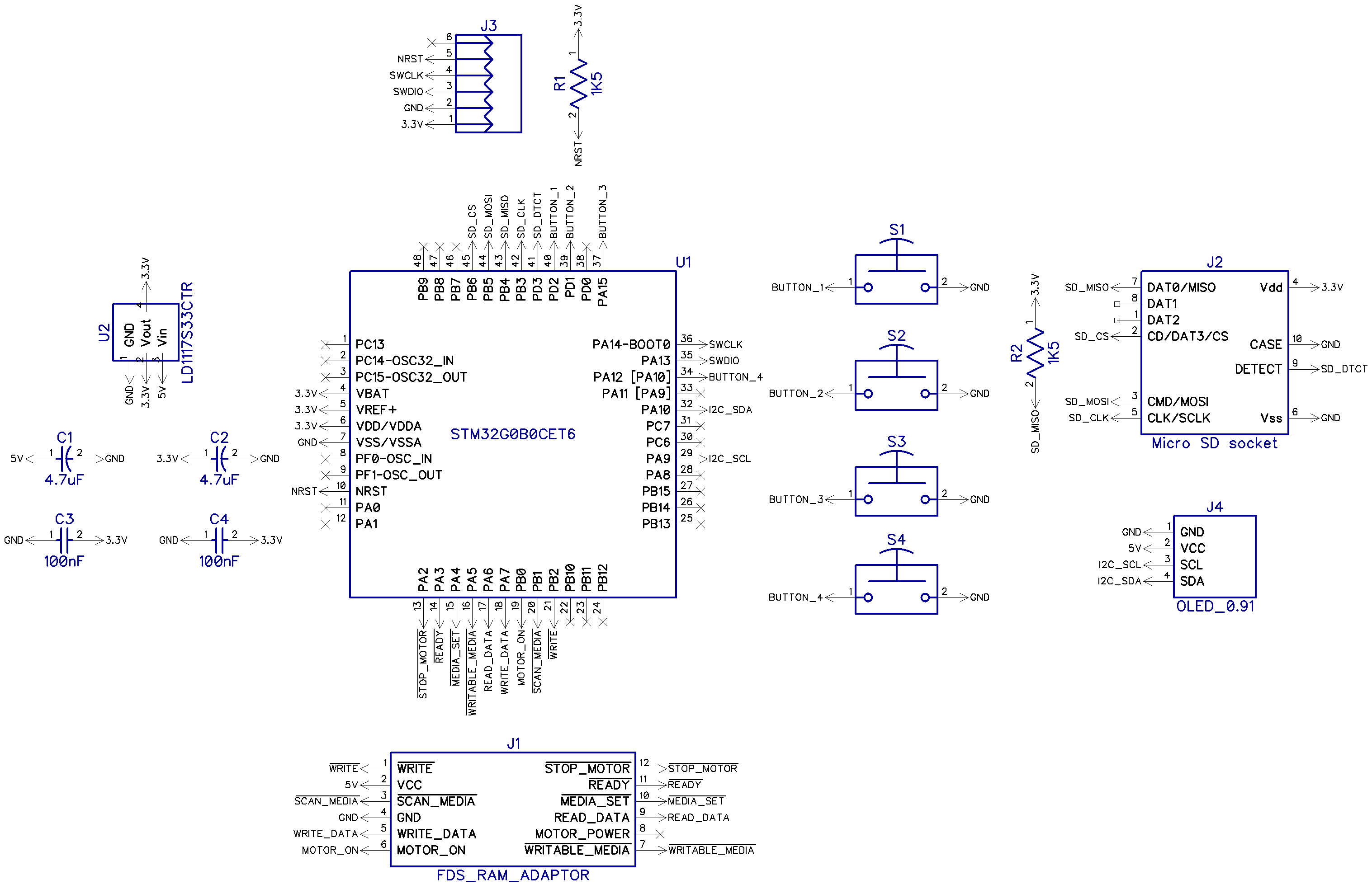
FdsKey_circuit_diagram.png
Alexey 'Cluster' Avdyukhin
e38d00729f
Changed C2 to 4.7uF too
2023-06-03 20:57:58 +04:00
107 KiB
3034x1967px
Raw
Permalink
History
Reference in New Issue
View Git Blame
Copy Permalink