Alexey 'Cluster' Avdyukhin 69f9fd80be File naming
2023-06-01 20:53:26 +04:00
2023-05-11 15:32:45 +04:00
2023-05-26 17:58:39 +04:00
2023-05-14 17:38:31 +04:00
2023-06-01 20:42:19 +04:00
2023-05-11 17:54:47 +04:00
2023-06-01 20:37:46 +04:00
2023-05-11 17:51:16 +04:00
2023-03-29 23:26:57 +04:00
2023-06-01 20:53:26 +04:00
2023-06-01 20:53:26 +04:00
2023-04-17 14:33:18 +04:00
2023-06-01 20:53:26 +04:00
2023-03-08 00:35:03 +04:00
2023-06-01 20:29:12 +04:00

FDSKey

An open-source, low-cost, and easy-to-build Famicom Disk System drive emulator featuring a sleek OLED display.

This project is currently a work in progress and is not yet finished.

image

image

How you can use it:

  • You can run Famicom Disk System disk images from a microSD card
  • You can dump disks using a physical FDS drive without additional hardware/cables
  • You can write disks using a physical FDS drive without additional hardware/cables

Requirements:

  • Famicom
  • Famicom Disk System RAM adaptor
  • microSD card

How to build it

You'll need a few low-cost components.

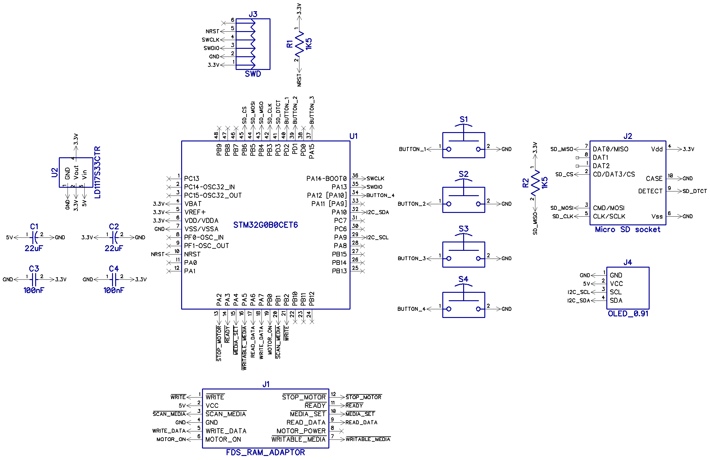
Circuit diagram

Сircuit diagram

Bill of materials

Сircuit diagram

Components

  1. PCB

image

The PCB is designed in the DipTrace software.

You can have it produced at any PCB factory (e.g. jlcpcb.com or PCBWay) using gerber files. PCB properties:

  • PCB thickness: 1.6mm
  • Gold fingers are recommended
  1. STM32G0B0CET (or any STM32G0B0CETxxx) microcontroller

STM32G0B0CET

You can easily find it on mouser.com or taobao.com.

  1. OLED display module

OLED display

OLED display

It's a very popular OLED display, search for SSD1306 0.91-inch OLED 128x32 4-pin on aliexpress.com, ebay.com, amazon.com or taobao.com. These displays are available in different colors: blue, white and yellow, you can select the one you prefer.

Solder it like this:

image

It's recommended to put something soft under the display on the right side.

WARNING: some unscrupulous sellers may sell you used, burned-in displays.

  1. microSD card socket (push-push, 8-pin + card detect pin = 9-pin)

microSD card socket

microSD card socket

It's a very popular push-push socket, they can be found on aliexpress.com. Also, you can search for 112J-TDAR-R01 model but there are many compatible models with other names. You can always modify the PCB to accommodate a different socket model.

  1. LD1117S33 stabilizer

LD1117S33

You can buy it in any electronic components store.

  1. Four SMD buttons

SMD button

Search for 3X4X2.5H SMD buttons, they can be found on aliexpress.com, ebay.com, amazon.com or taobao.com. You can also search for 434133025816 model on mouser.com.

  1. Resistors and capacitors

Capacitor

You will need only a few of them:

  • C1, C2 - two 22uF ceramic capacitors, 0603 size
  • C3, C4 - two 100nF ceramic capacitors, 0402 size (0603 will be fine too)
  • R1, R2 - two 1.5K resistors, 0402 size (0603 will be fine too), actually you can also use any values from 1K to 10K

You can buy them in any electronic components store.

  1. Plastic case

Case

You can print plastic case with a 3D printer. You can find .stl files in the case_3d_models directory. There are two types of models:

  • For FDM 3D printers - can be printed on a affordable home 3D printer, the bottom and top parts of the case must be glued together
  • For MJF 3D printers (recommended) - for industrial 3D printing, you can order it from a manufacturing service (e.g. jlcpcb.com), this version features latches

image

What does it look like when everything is assembled: image

Flashing the firmware

There are five TH pads (actually 6 but 1 is unused) on the PCB to connect a ST-Link programmer (GND, VCC, SWD, SWCLK and NRST). First, you need to write the bootloader - bootloader.bin file. Then you can put the main firmware file - fdskey.bin on your SD card (FAT/FAT32/exFAT formatted) and hold all four buttons on power-on, e.g. connect FDSKey to RAM adaptor, hold buttons and turn a Famicom on. You can use the same method to update the main firmware in the future without additional hardware.

After the first boot, press and hold the left button for 3 seconds to access the service menu. There, you can select the OLED display controller type (change it if the display shows a corrupted image) and check some system information.

Device usage

Format a microSD card to FAT/FAT32/exFAT and put some .fds files on it. Insert a microSD card into a FDSKey, insert a FDSKey into a RAM Adaptor's cable instead of a physical disk drive and turn on a Famicom. You can hot plug a FDSKey when Famicom is already on too, it's ok.

Now you can navigate through the FDSKey interface using the buttons. Left button usually means back, right button usually means OK and up/down are used to select something (file, disk side, etc.) Also, you can long press the left button in the file browser to directly return to the main menu from a subfolder, and long press the right button to open the file properties menu.

FDSKey - interface flowchart

Oops, too complicated :( Let's try again...

GUI

Much better.

WARNING: when a game writes some data to a virtual disk (i.e., saves game progress) don't turn off your Famicom power until the updated ROM has been saved to the SD card. Wait a second for it or eject a virtual disk (left button). A saving message will be displayed, do not turn off power while this message is visible.

Settings menu

Use up/down buttons to select a setting and left/right to change it. Setting descriptions:

  • Rewind speed: you can select a drive operation speed as either original (very slow, like on a physical FDS drive, for the nostalgic ones), fast (where the rewind time is reduced but the virtual head position is not altered), or turbo (the fastest possible mode, instant head rewind)
  • Remember state: you can select a power-on state between none (always start from the main menu), browser (open browser and select last file if browser was opened before power off) and ROM (start first side of the last started game emulation if ROM emulation was active before power off)
  • Hide non .fds files: hide files with non .fds extension in the file browser
  • Hide .fds extensions: hide .fds extension in the file browser
  • Hide hidden files: hide hidden files and directories in the file browser
  • Brightness: screen brightness from 0 to 10
  • Invert screen: draw black on white instead of white on black
  • Lefty mode: rotate screen image on 180 degrees and flip buttons
  • Screen off after: time before automatic screen off if there is no any action (button presses, drive activity), it's recommended to use this feature to prevent OLED screen burn-in
  • Backup original ROM: copy a .fds file to a .fds.bak file if a disk content was rewritten
  • [ Save and return ] - press left or right button on this item to return to the main menu

How to dump physical disks

You can use a homebrew disk copier applications to copy a physical disk to a virtual one, simply create an empty ROM. There is Create blank disk item in the main menu for it.

  1. Put Disk Hacker/Disk Keeper or another homebrew disk copier ROM on SD card
  2. Select a disk copier software on your SD card like any other ROM and load it
  3. Return to the main menu and select Create blank disk
  4. Enter filename for the new ROM, trailing spaces will be trimmed
  5. When disk copier asks to insert game disk disconnect a FDSKey from a RAM adaptor and connect a physical FDS drive with a game disk inserted
  6. When disk copier asks to insert new/blank disk disconnect a physical drive, connect a FDSKey and select ROM created in steps 3-4
  7. Repeat steps 5-6 until the copy operation is completed

How to write physical disks

This is a reverse operation of dumping: you can use disk copiers homebrew applications to copy a virtual disk to a physical one.

  1. Put Disk Hacker/Disk Keeper or another homebrew disk copier ROM on SD card
  2. Select a disk copier software on your SD card like any other ROM and load it
  3. When disk copier asks to insert game disk select the source ROM/side
  4. When disk copier asks to insert new/blank disk disconnect a FDSKey from a RAM adaptor and connect a physical FDS drive with blank disk inserted
  5. Disconnect a physical FDS drive and connect FDSKey
  6. Repeat steps 3, 4, and 5 until the copy operation is completed

Firmware updates

You can always download the latest version at https://github.com/ClusterM/fdskey/releases.

Also, you can download automatic interim builds at http://clusterm.github.io/fdskey/.

Remember, you can update the firmware by putting fdskey.bin on your SD card and holding all four buttons on power-on.

Donate

Description
Famicom Disk System drive emulator
Readme GPL-3.0 36 MiB
Languages
C 99.9%
Assembly 0.1%