This website requires JavaScript.
Explore
Help
Sign In
The-Homebrew-Cloud
/
fdskey
Watch
2
Star
0
Fork
0
You've already forked fdskey
mirror of
https://github.com/ClusterM/fdskey.git
synced
2025-12-18 01:16:09 +01:00
Code
Issues
Packages
Projects
Releases
Wiki
Activity
Files
pcb1.2firmwarev1.0
fdskey
/
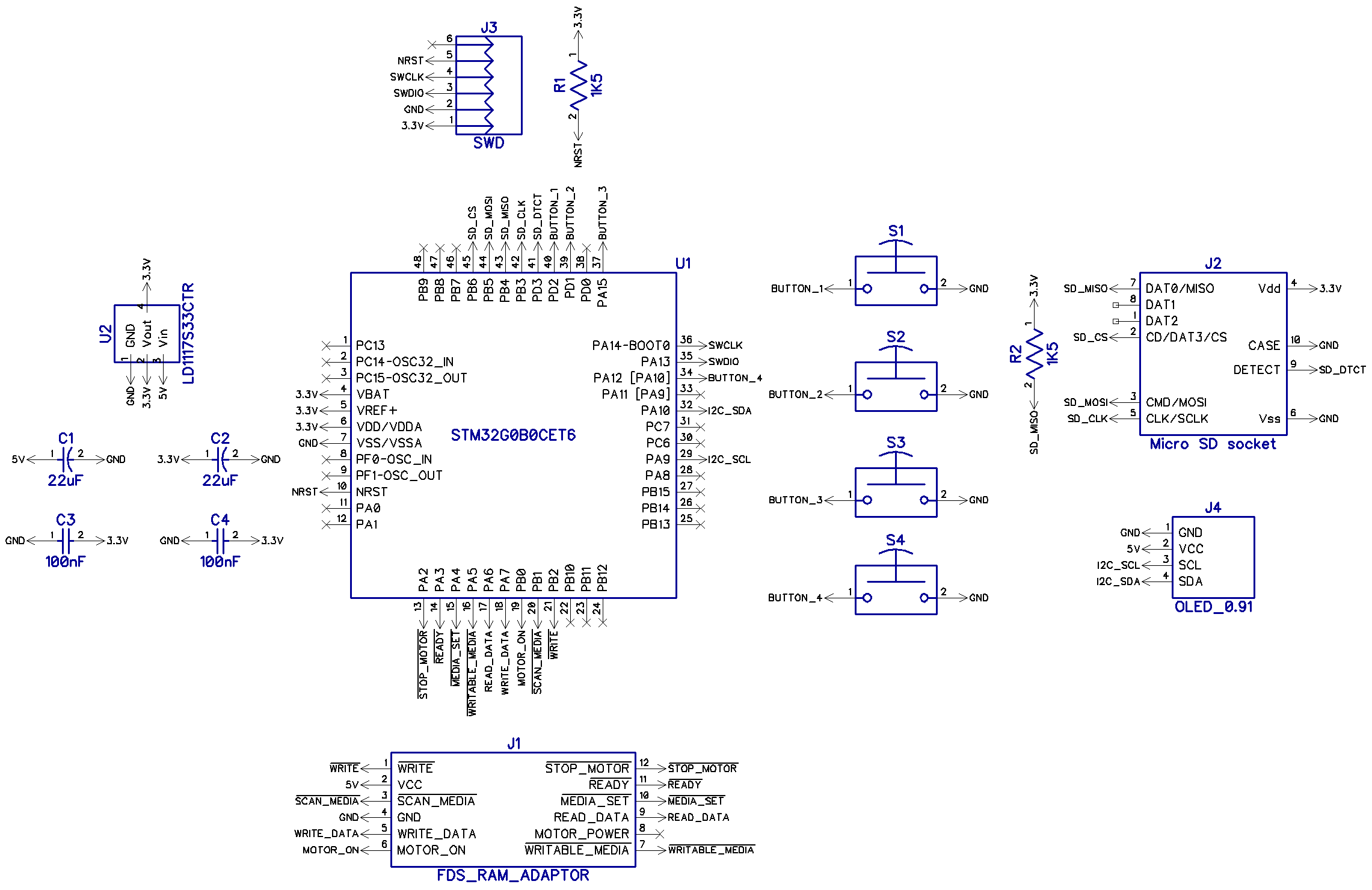
fdskey_circuit_diagram.png
Alexey 'Cluster' Avdyukhin
d26830ea88
File naming
2023-04-17 14:33:18 +04:00
72 KiB
2281x1480px
Raw
Permalink
History
Reference in New Issue
View Git Blame
Copy Permalink